NINGBO LINO MOTOR
ADD: Zhuangjiashan Industry Park, Shijiumiao Dongqiao Town,
Haishu District, Ningbo,Zhejiang,China
P.C:315157
TEL: +86 574 88215256
CELL: +86 18969816706
Http:// www.linomotor.com , http://linomotor.1688.com/
E-MAIL: sales@linomotor.com
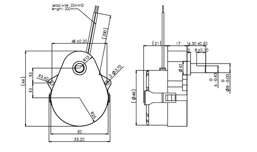
| Products' type: | AC geared motor |
| Model: | GM50SMS48500 |
| Sort: | Pear shape AC synchronous geared motor |
| Typical applications: | Valves, coffee machine, communications-equipment, ACU-RITE,induced garbage can, electronic lock, optical equipment, medical instrumentation, office equipment, household appliances,etc… |
| Weight: | 160g (approx) |
| 参数 Specifications | 单位 UNIT | GM50SMS48500 | ||||||
| 额定电压 Voltage | VAC | 24; 110; 220 | ||||||
| 频率 Frequency | Hz | 50/60 | ||||||
| 输入功率 Input | W | <=3W | ||||||
| 电流 Current | A | 0.012(220V) | ||||||
| 转速范围 Speed range | RPM | 1/1380~80 | ||||||
| 速比范围 Gear ratio | 6.25~694444 | |||||||
| 噪音 Noise | dB | <=60 | ||||||
| 绝缘耐压 Dielectric strength | AC1500V / 1SEC | |||||||
| 转向 Direction of rotation | CW;CCW; CW/CCW(FREE) | |||||||
| 备注 Note | 电压及输出轴可以根据客户要求更改. Voltage and output shaft can be changed as customer's request. | |||||||
| 包装信息 Packing detail | 纸箱,尺寸:52X36X36CM;100台/箱;毛重:19Kg. Carton, Size: 52X36X36CM;100pcs/carton; G.W:19Kg. | |||||||
